Мы угадали ваш город?
Да, верно Нет, другой
0
8-495-147-57-35
8-800-333-85-37
Заказать звонок

Требования к установке котлов наружного размещения газовых и монтажу уличных газовых котлов, их проектированию и монтажу

Группа Компаний НПК «Завод модульного энергооборудования»

Оглавление


 


Вступление

Данная статья написана инженерами специальности теплогазоснабжения и вентиляции (ТГВ), и для инженеров и строителей, но понятным обывателю языком.

В ней мы раскроем те строительные нормы и правила, на которые мы сами ориентируемся при проектировании и монтаже газовых котлов наружного размещения и уличных газовых котлов, опыт сдачи ресурсоснабжающим организациям (ПАО «Газпром», АО «Мособлгаз», АО «Мосгаз»), а также инспекторам Ростехнадзора. Обсудим «темные пятна» в нормативной документации и законодательстве, а также терминологию.


Установка котла наружного размещения RS-ZM 1000 мощностью 1 МВт с ограждением Установка уличного газового котла булат на стене частного дома



Вы получите бесплатную консультацию, позвонив нам по телефону:
8-800-333-85-37

Или оставив заявку на звонок

ЗАКАЗАТЬ ЗВОНОК


История и терминология – что такое котел наружного размещения и уличный котел?

После перестройки Котлы наружного размещения и уличные газовые котлы были «неведомым зверем», про которые все слышали, но мало кто видел и проектировал. При этом объективные обстоятельства заставляли применять их все чаще, и чаще – при плотной застройке не на любом генплане вы разместите блочную котельную, не говоря уже о значительно меньшей цене.

Требований и норм в, тогда еще СНиП, не было, а из общих знаний о них было только понимание, что это – возможно не здание. А производили КНР в промышленных масштабах их еще с 1998 года (история завода Rossen), и проектировали и устанавливали по всей России.

И каждый раз при согласовании проекта, сдаче объекта, приходилось скрещивать мечи с экспертизой, инспектором Ростехнадзора – каждый трактовал нормы так, как хотел. Требовали расстояние между котлами, пространство для обслуживания, расстояние от КНР до соседних зданий в соответствии с СП 4.13130.2013 "Системы противопожарной защиты. Ограничение распространения пожара на объектах защиты. Требования к объемно-планировочным и конструктивным решениям" – которые просто невозможно обеспечить!

Даже в 2012 году, в первой редакции в СП 89.13330.2012 «Свод правил. Котельные установки. Актуализированная редакция СНиП II-35-76», еще не было упоминания котлов наружного размещения.

И вот, только в 2016 году, в СП 89.13330.2016 «Свод правил. Котельные установки. Актуализированная редакция СНиП II-35-76» появилось упоминание о котлах наружного размещения и терминология, было дано определение КНР.

Котельная наружного типа: Котельная или теплогенераторная установка блочного исполнения, размещаемая вне здания в легких ограждающих конструкциях без обслуживаемого внутреннего пространства. (п. 3.6 СП 89.13330.2016).

Тут важно вспомнить, что данное определение дано в рамках области применения данного Свода правил, и не распространяется на проектирование котельных тепловых электростанций, в том числе пиковых, передвижных котельных, котельных с электродными котлами, котлами-утилизаторами, котлами с высокотемпературными органическими теплоносителями (ВОТ) и другими специализированными типами котлов для технологических целей, на проектирование автономных источников теплоснабжения интегрированных в здания (встроенных, пристроенных, крышных котельных и теплогенераторных установок теплопроизводительностью до 360 кВт), а также на когенерационные установки (п. 1.2 СП 89.13330.2016).

Таким образом, чтобы без проблем пройти экспертизу в ФАУ «Главгосэкспертиза России», инженер-проектировщик должен держать в голове полное определение котельной наружного типа - Котельная или теплогенераторная установка блочного исполнения, размещаемая вне здания в легких ограждающих конструкциях без обслуживаемого внутреннего пространства, мощностью свыше 360кВт включительно.

Все установки по выработке тепловой энергии мощностью до 360кВт снова остались в «тени», за пределами нормативной документации.

А что в нормах говорится о котельных мощностью менее 360кВт? А там было темное пятно аж до июня 2024 года!

И вот 16.06.2024г. Минстрой РФ проснулся, и выходит Изменение №2 к СП 281.1325800.2016 "Установки теплогенераторные мощностью до 360 кВт, интегрированные в здания. Правила проектирования и устройства", чья область применения уже устанавливает общие правила проектирования вновь строящихся и реконструируемых автономных теплогенераторных общей тепловой мощностью до 360 кВт включительно, интегрированных в здания и предназначенных для теплоснабжения систем отопления, вентиляции, горячего водоснабжения зданий и сооружений.

Нам дают следующее определени в п.3.9. для блочно-модульной котельной мощностью до 360кВт: блочно-модульная теплогенераторная - теплогенераторная полной заводской готовности, размещаемая вне зданий в модулях или модульных зданиях.

И определение в п. 3.10. для котлов наружного размещения мощностью до 360кВт: теплогенераторная наружного обслуживания: блочно-модульная теплогенераторная без обслуживаемого внутреннего пространства.

Как ни странно, бытовым уличным газовым котлам в общепринятом понимании, а именно, газовый котел в утепленном шкафе-боксе, определение дали 19.01.2024 в п. 3.3. отдельного СП 282.1325800.2023 «Поквартирные системы теплоснабжения на базе индивидуальных газовых теплогенераторов».

Теплогенератор наружного типа шкафной настенный (ТГШн): Готовое заводское изделие, включающее в себя теплогенератор с обвязкой трубопроводами, запорной арматурой и контрольно-измерительными приборами, имеющее защитную ограждающую конструкцию и предназначенное для установки на стене вне здания.

Настоящий свод правил устанавливает общие правила проектирования, строительства, реконструкции, капитального ремонта и эксплуатации систем теплоснабжения с индивидуальными теплогенераторами на твердом и газообразном топливе мощностью до 100 кВт включительно.

И вот мы уже подошли к какой-то систематизации и «правильной» терминологии.


Проект котла наружного размещения 1000 кВт чертеж


Определение котла наружного размещения газового и уличного газового котла

Котельная наружного типа (котел наружного размещения мощностью свыше 360кВт) – это котельная или теплогенераторная установка блочного исполнения, размещаемая вне здания в легких ограждающих конструкциях без обслуживаемого внутреннего пространства, мощностью свыше 360кВт включительно.

Теплогенераторная наружного обслуживания (котел наружного размещения мощностью до 360кВт) – блочно-модульная теплогенераторная без обслуживаемого внутреннего пространства мощностью до 360кВт.

Теплогенератор наружного типа шкафной настенный – ТГШн (уличный газовый котел мощностью до 100 кВт): Готовое заводское изделие, включающее в себя теплогенератор с обвязкой трубопроводами, запорной арматурой и контрольно-измерительными приборами, имеющее защитную ограждающую конструкцию и предназначенное для установки на стене вне здания.

Установка котлов наружного размещения

После того, как мы дали определение котлу наружного размещения (КНР), и можно не бояться нарушить первый Закон логики («Закон тождественности»), перейдем к требованиям к установке котлов наружного размещения, и тем набором норм и правил, которыми следует руководствоваться при проектировании и установке.

Расстояние от здания до котла наружного размещения

Котел наружного размещения не является зданием или сооружением (это установка - наружное газоиспользующее оборудование), а значит не требует соблюдения пожарного расстояния до здания-потребителя тепла в соответствии с Таблицей 1 п. 4.3. СП 4.13130.2013 «Свод правил. Системы противопожарной защиты. Ограничение распространения пожара на объектах защиты. Требования к объемно-планировочным и конструктивным решениям». Так же он не требует разработки отдельных разделов для внутренних инженерных систем КНР при проектировании Стадии П, и не требует разрешения на строительство.

То-есть, вы можете установить котел наружного размещения вплотную к стене обслуживаемого здания, но мы так никогда не делаем.

Оптимальное решение – установить КНР на расстоянии 700-1000 мм до стены здания, для уборки снега в зимний период и легкого обслуживания.

Также это позволит осуществлять установку дымохода котла с креплением на стену здания, или молниеотвод вдоль стены здания.


Расстояние до здания котла наружного размещения RS-ZM 800 Котел наружного размещения 1,5 МВт расстояние до здания


При этом, периодически, возникают дебаты с техническим отделом ПАО «Газпром» или АО «Мособлгаз», но они заканчиваются после официального запроса о том, какую степень огнестойкости и класс конструктивной пожарной опасности, как здания, принять по Таблице 1 п. 4.3. СП 4.13130.2013 для устанавливаемой КНР на основании паспорта устройства – заведомо известно, что на этот  вопрос они ответить не смогут. А значит эти требования расстояний до зданий не применимы.

Также размещение котла наружного размещения должно учитывать открывание ворот КНР как спереди, так и сзади. Чаще всего котел размещают выходом труб теплосети к зданию, а выходом газа наоборот, от с противоположной от здания стороны. Тогда вопрос с открыванием ворот снимается сам.

В нашей практике были случаи установки котлов наружного размещения на кровле здания, и в таких случаях мы производили огнезащиту конструкций КНР для соответствия степени огнестойкости не ниже III и классу конструктивной пожарной опасности С0 (требования СП 4.13130), экспертизе сложно будет доказать, что это не крышная котельная.

Требования к дымоходам котла наружного размещения

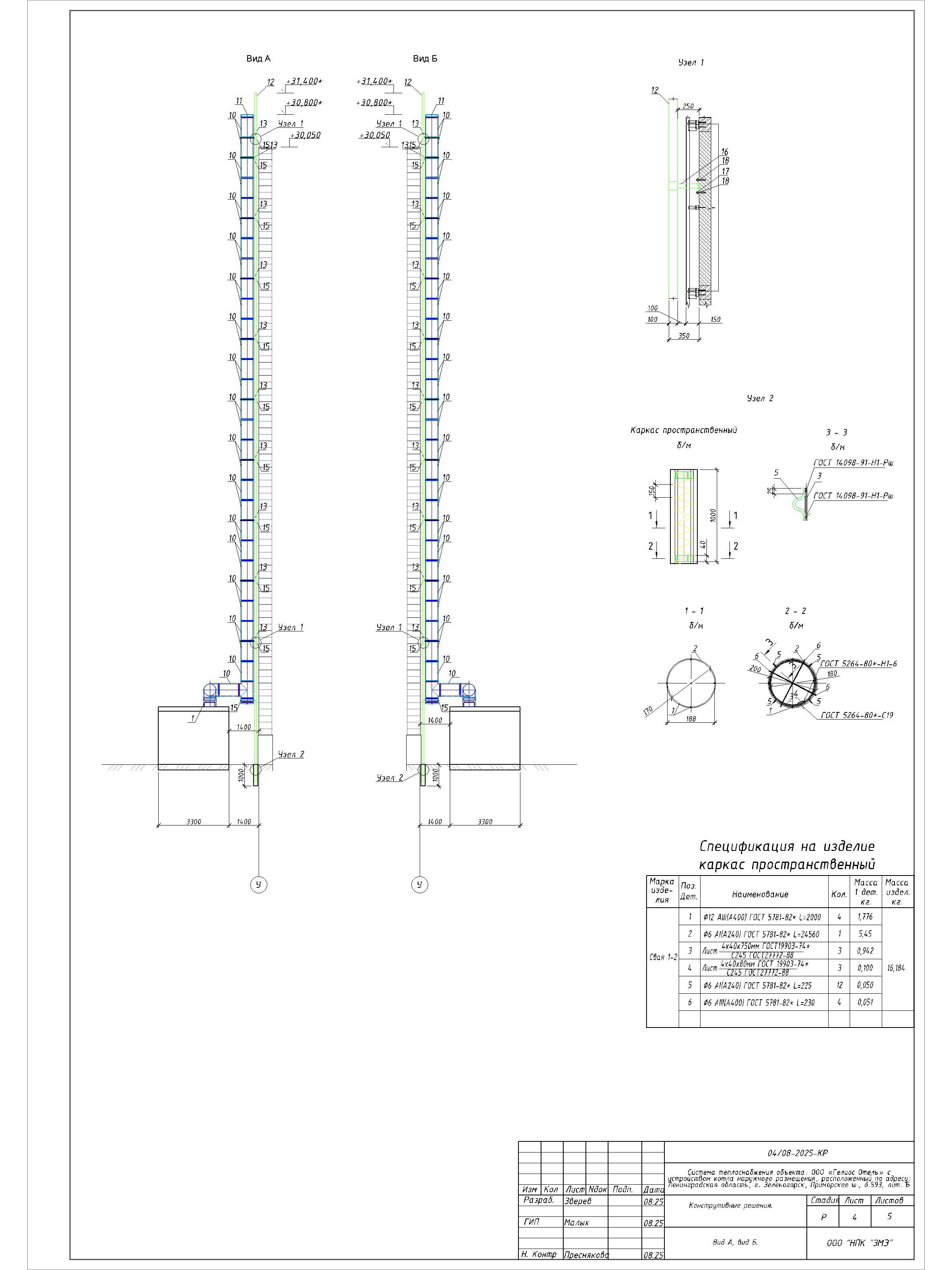
Наше любимое техническое решение, так сказать, классика проектирования КНР – это использование молниеотвода, защищающего котел наружного размещения и ГРПШ (при наличии), как несущей конструкции дымохода. Это техническое решение разработано нашими инженерами – оно самое дешевое и надежное, и показало себя прекрасно за десяток лет.

Крепление молниеотвода осуществляется к строительным конструкциям здания, стенам, колоннам. Но и в «чистом поле», для отдельно стоящего от зданий котла, такое решение с двумя профилями 100х100х4 позволяет поднять дымоход на высоту 8 метров без угрозы жесткости конструкции – что достаточно для тяги в 10 Па и соответствия требованиям атмосферных газовых котлов Rossen RSA при адекватном сечении дымохода.


Котел наружного размещения в Домодедово чертеж с указанием молниеотвода


Завод Rossen уже прекратил выпуск сперва дымоходов, а затем и КНР, но их техническими решениями, как «законодателей моды», инженеры по всей стране пользуются по сей день. Один из примеров представлен на чертеже ниже. Но оно заведомо дороже нашего при равной высоте дымохода.

Дымоходы двух и трех котлов равной мощности мы стараемся объединять в один, с установкой взрывного клапана и люка прочистки.


Чертеж дымоходов котла наружного размещения


Часто мы устанавливаем регулятор подачи вторичного воздуха для горения газа (регулятор тяги), помимо заслонок непосредственно на котлах – это решение оптимально для котлов наружного размещения с тремя котлами, работающими в одну дымовую шахту, когда в летний период сложно увязать аэродинамику дымохода при работе одного котла только на ГВС.

Основные требования безопасности к дымоходам регламентируются ГОСТ Р 53321-2009 «Аппараты теплогенерирующие, работающие на различных видах топлива. требования пожарной безопасности», СП 42-101-2003 «Общие положения по проектированию и строительству газораспределительных систем из металлических и полиэтиленовых труб», и ВДПО «Правила производства работ, ремонта печей и дымовых каналов».

Мы соблюдаем следующие требование к дымоходам КНР, поднимающимся вдоль стены здания:

  • Возвышение труб над кровлей: не менее 500 мм над плоской кровлей, не ниже уровня конька кровли или парапета при расположении трубы на расстоянии от 1,5 до 3 м от конька или парапета, не ниже линии, проведённой от конька вниз под углом 10° к горизонту при расположении трубы от конька или парапета более 3 м.
  • Расстояние дымохода до стены из негорючего материала не менее 100 мм, и не менее 250 мм до стены из горючих материалов.
  • В соответствии с СП 42-101-2003 «Общие положения по проектированию и строительству газораспределительных систем из металлических и полиэтиленовых труб», на соединительных трубах допускается предусматривать не более трех поворотов с радиусом закругления не менее диаметра трубы.
  • При присоединении к сборному дымоходу газоиспользующего оборудования, не имеющего стабилизаторов тяги, на соединительных трубах от оборудования должны предусматриваться шиберы, имеющие отверстие диаметром не менее 15 мм. Таким образом наличие шиберов на дымоходах внутри котла наружного размещения обязательно при выходе в общий сборный дымоход.
  • В соответствии с п. 5.9. СП 7.13130.2009 «Отопление, вентиляция и кондиционирование. Противопожарные требования» дымоходы должны быть выполнены плотными класса П с эквивалентной шероховатостью внутренней поверхности не более 1,0 мм.
  • Устья дымовых труб следует защищать от атмосферных осадков. Зонты, дефлекторы и другие насадки на дымовых трубах не должны препятствовать свободному выходу дыма – но мы не закрываем сборный дымоход зонтом, а применяем конденсатоотводчики под стартовой площадкой дымохода.
  • Длина вертикального участка соединительной трубы, считая от низа дымоотводящего патрубка прибора до оси горизонтального участка трубы, должна быть не менее 0,5 м.
  • На основании Технического регламента о безопасности сетей газораспределения и газопотребления, на газоходах от газоиспользующего оборудования, расположенных горизонтально, должна быть предусмотрена установка предохранительных взрывных клапанов площадью не менее 0,05 кв. метра каждый, оборудованных защитными устройствами на случай срабатывания. То же самое утверждают «Правила устройства и безопасной эксплуатации паровых котлов с давлением пара не более 0,07 мпа (0,7 кгс/см2), водогрейных котлов и водоподогревателей с температурой нагрева воды не выше 388 к (115 °с) - каждый котел с камерным сжиганием пылевидного, газообразного, жидкого топлива или с шахтной топкой для сжигания торфа, опилок, стружек и других мелких производственных отходов должен быть оборудован взрывными предохранительными клапанами. Взрывные предохранительные клапаны размещают в местах, исключающих опасность травмирования обслуживающего персонала. При невозможности установки в местах, безопасных для обслуживающего персонала, взрывные клапаны снабжают отводными коробами или ограждают отбойными щитами со стороны нахождения людей.

Чертеж для определения высоты дымохода от уровня кровли


Монтаж газопроводов к котлу наружного размещения и расположение ГРПШ.

Меньше всего вопросов по проектированию и монтажу газопроводов, если к котлу наружного размещения, работающему на низком давлении газа, подходит газопровод низкого давления. Но для котлов наружного размещения большой мощности – это редкость.

Часто КНР ставят на стесненном участке, ввиду того что просто не хватает места для блочно-модульной котельной. В такой ситуации ставить ГРПШ с коммерческим узлом учета газа – непозволительная роскошь, ведь охранная зона ГРПШ составляет 10 метров от ограждения (Постановление правительства РФ N 878 от 20.11.2000 «Об утверждении Правил охраны газораспределительных сетей»). В таких условиях теряется минимум кусок земли площадью от 140 м2, в котором запрещено любое строительство.

И тогда мы обращаемся к п. 5.7 ГОСТ 34670-2020 «Системы газораспределительные. Пункты редуцирования газа»: можно размещать ГРПШ на наружных стенах зданий, для газификации которых они предназначены, при максимальном входном давлени газа до 0,6 Мпа включительно.

В п. 6.7.12. СП 4.13130.2013 указано, что ШРП с входным давлением газа до 0,3 МПа устанавливают:

  • на наружных стенах жилых, общественных, административных и бытовых зданий независимо от степени огнестойкости и класса пожарной опасности при расходе газа до 50 м3/ч (а это уже до 400кВт теплопроизводительности КНР);
  • на наружных стенах жилых, общественных, административных и бытовых зданий не ниже III степени огнестойкости и не ниже класса С1 при расходе газа до 400 м3/ч.

В п. 6.7.13. СП 4.13130.2013 указано, что ШРП с входным давлением газа до 0,6 МПа устанавливают на наружных стенах производственных зданий, котельных, общественных и бытовых зданий производственного назначения, а также на наружных стенах действующих ГРП не ниже III степени огнестойкости класса С0.

ШРП с входным давлением газа свыше 0,6 до 1,2 МПа на наружных стенах зданий устанавливать не разрешается.

Отталкиваясь от этих норм, мы всегда рассматриваем два основных варианта размещения ГРПШ: на наружной стене котла наружного размещения, на наружной стене здания, обслуживаемого КНР - это позволяет убрать охранную зону ГРПШ и увеличить площадь застройки.


Чертеж ГРПШ на стене КНР газоснабжение Чертеж аксонометрическая схема газопровода из проекта газоснабжения


Упомянем остальные требования к газопроводам, подходящим к зданию и котлу наружного размещения:

  • при установке ШРП с давлением газа на вводе до 0,3 МПа на наружных стенах зданий расстояние от стенки ШРП до окон, дверей и других проемов должно быть не менее 1 м, а при давлении газа на вводе свыше 0,3 до 0,6 МПа - не менее 3 м;
  • разрешается размещение ШРП на покрытиях с негорючим теплоизоляционным материалом газифицируемых производственных зданий I, II степеней огнестойкости класса С0 со стороны выхода на кровлю на расстоянии не менее 5 м от выхода;
  • газопроводы высокого давления прокладываются по глухим стенам и участкам стен или не менее чем на 0,5 м над оконными и дверными проемами верхних этажей производственных зданий и сблокированных с ними административных и бытовых зданий. Расстояние от газопровода до кровли здания должно быть не менее 0,2 м;
  • газопроводы низкого и среднего давления могут прокладываться также вдоль переплетов или импостов не открывающихся окон и пересекать оконные проемы производственных зданий и котельных, заполненные стеклоблоками;
  • прокладка газопроводов низкого давления кроме указанных выше видов разрешается также между окнами на расстоянии не менее 0,2 м от каждого окна (СП 62.13330.2011 «Газораспределительные системы. Актуализированная редакция СНиП 42-01-2002);
  • в п 4.6.9 ГОСТ Р 55474-2019 «Системы газораспределительные. Сети газораспределения природного газа. Часть 2. Стальные газопроводы» указано, что высоту от уровня земли до низа трубы газопровода, прокладываемого на опорах, следует принимать в свету с учетом провисания трубы, не менее: в непроезжей части территории, в местах прохода людей — 2,2 м; в местах пересечения с автодорогами (от верха покрытия проезжей части) — 5 м; на свободной территории в местах отсутствия проезда транспорта и прохода людей допускается прокладка газопровода на высоте не менее 0,5 м от поверхности земли до низа трубы.

Теперь разберем, какие ошибки в проектировании газопроводов к КНР мы видим в проектах постоянно? Основные ошибки – это отсутствие достаточного объема подходящего к КНР газопровода при большом удалении от ГРП.

Для обеспечения необходимого запаса газа в трубопроводе после ГРП перед газоиспользующим устройством при быстрых перепадах потребления газа необходимо обеспечить достаточный объем трубопровода после ГРП.

Существует неписанное правило, незафиксированное в нормативных документах, но тем не менее повсеместно применяемое в России, Европе и США: для обеспечения достаточного запаса газа для резких перепадов потребления необходимо, чтобы объем трубопровода от регулятора до газоиспользующего оборудования был произведен по расчету. При этом значительный объем трубопровода выступает в роли демпфера.

Что происходит, если это условие, всегда соблюдаемое в стационарных и блочно-модульных котельных, не выполнено – при остановке КНР в зимний период, например, при пропадании электроснабжения и закрытии электромагнитного клапана, после запуска котлов их горелки выходят на максимальную теплопроизводительность, из-за чего происходит разряжение в распределительном газопроводе. Регулятор давления газа (редуктор) не успевает отработать, а газ дойти по трубопроводу большой протяженности. Как итог – срабатывает автоматика безопасности котлов и КНР, и котельная снова останавливается.

Так же забывают устанавливать отключающие устройства перед котлом наружного размещения – если есть отключающие газовые краны непосредственно на котлы в КНР, это не отменяет необходимость их установки перед ним. Иначе сложно обслужить газовый электромагнитный клапан, и проводить ремонт и ревизию.

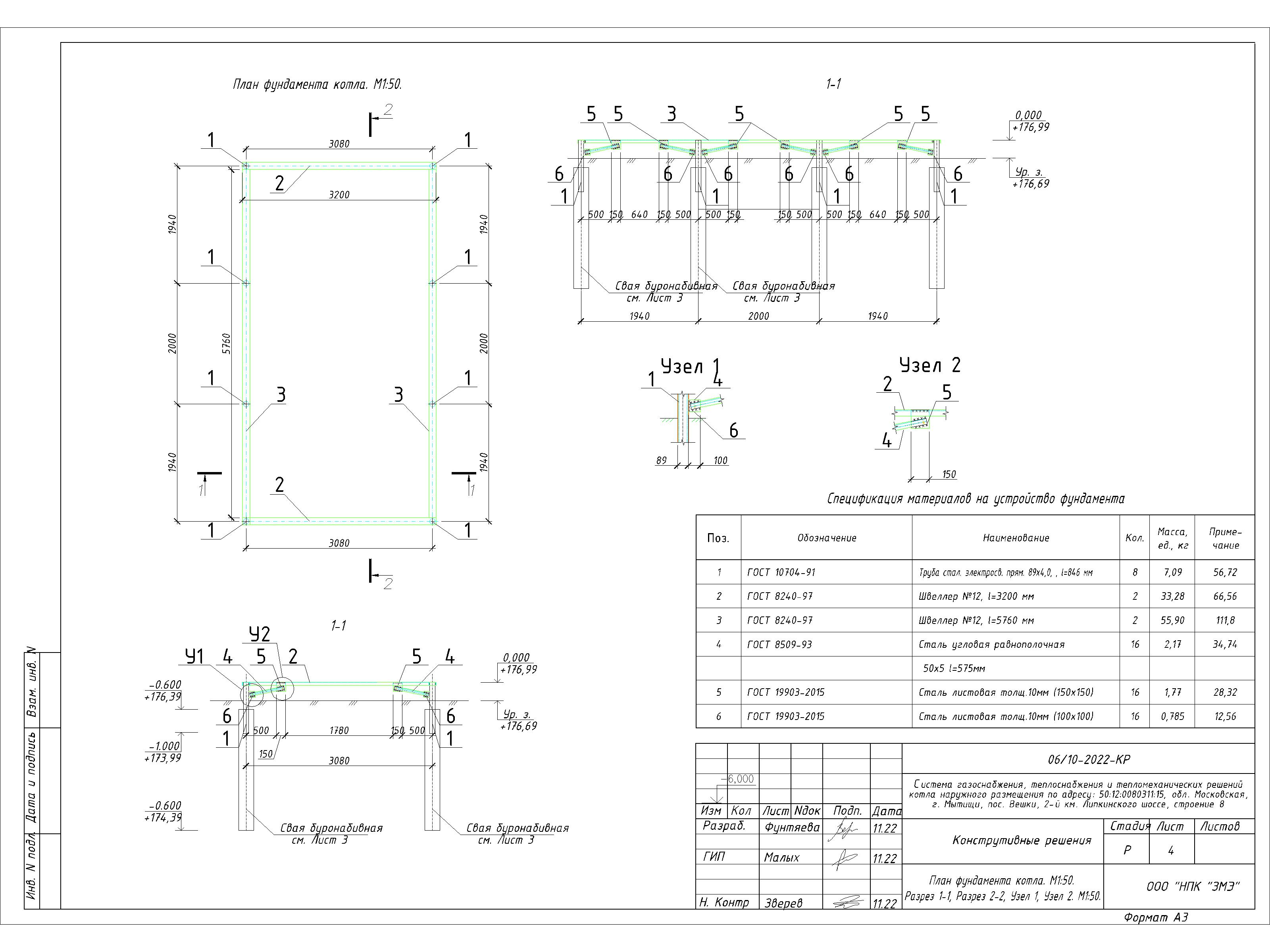
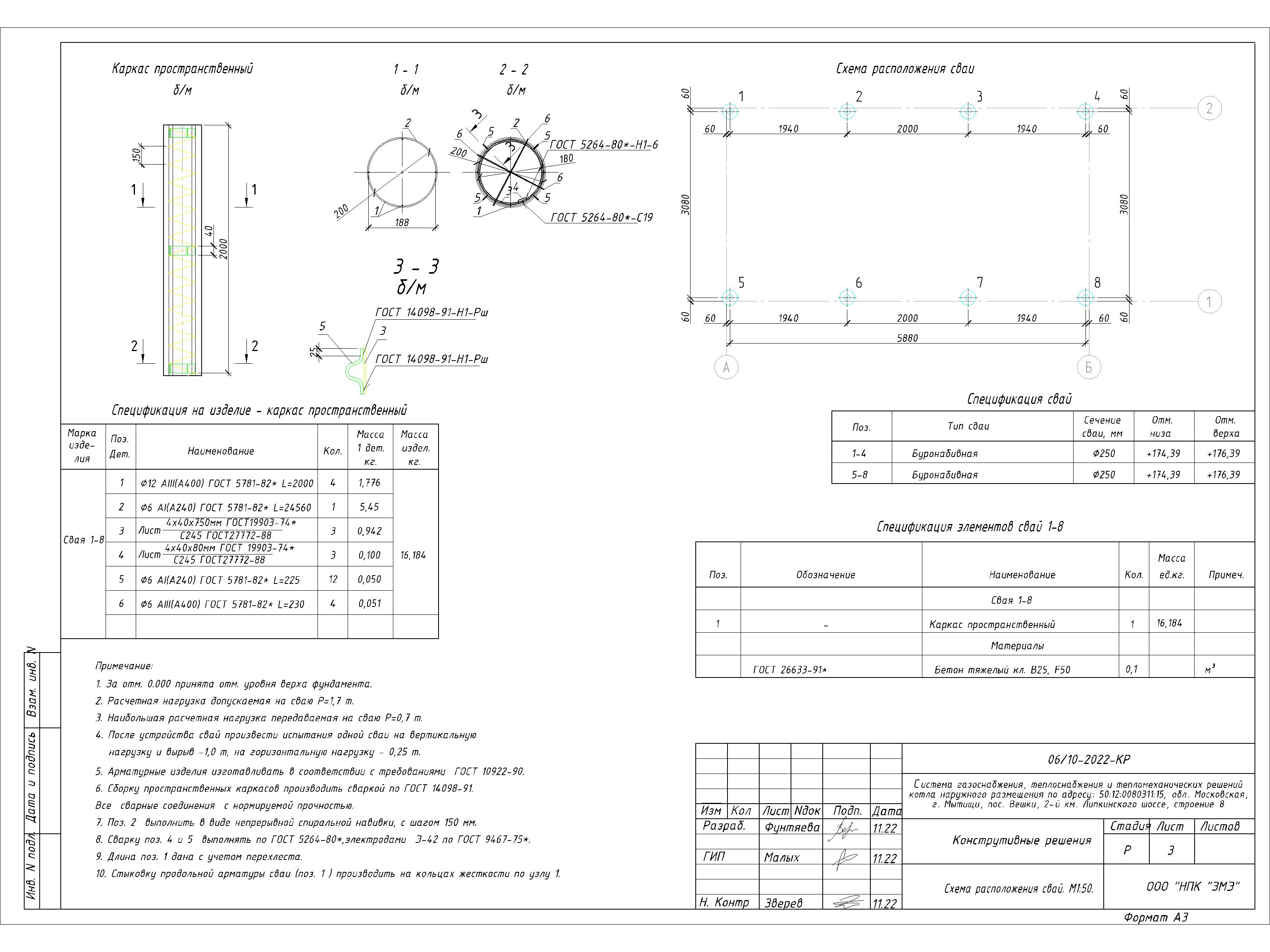
Фундамент для котла наружного размещения

У нас разнообразный опыт по монтажу фундамента котла наружного размещения. Главное, что необходимо понимать при проектировании и строительства фундамента котла наружного размещения, это то, что нагрузка на него относительно мала, и редко превышает 8000 Н/м2.

Второй момент, это то, что фундамент КНР – это не фундамент здания, и при устройстве монолитной плиты можно и нужно применять арматуру диаметром менее 12мм.

Мы применяем следующие виды фундаментов, в зависимости от условий службы, грунтов и срока эксплуатации:

  • монолитную плиту;
  • буронабивные сваи;
  • винтовые сваи.

Чертеж монолитной железобетонной плиты фундамента котла наружного размещения Чертеж фундамента котла наружного размещения из винтовых свай Чертеж плана фундамента котлы наружного размещения из буронабивных свай Чертеж буронабивных свай фундамента котла наружного размещения


Заземление котла наружного размещения

Ну и не стоит забывать о заземлении котла наружного размещения – обычно на контур заземления здания. Для молниезащиты мы, чаще всего, стараемся делать отдельный контур заземления.

При устройстве фундамента из винтовых свай – сами винтовые сваи прекрасный заземлитель. Важно помнить, что при замечании экспертизы о том, что согласно п. 1.7.94 ПУЭ, расстояние от заземлителя до фундамента здания должно быть 1 метр, стоит упомянуть – КНР не здание.

Молниезащита и заземление наружного котла Зона защиты стержневого молниеотвода КНР

Монтаж уличных газовых котлов

Монтаж уличных газовых котлов требует соблюдения тех же норм и правил, что и установка котла наружного размещения - но есть нюансы. В первую очередь мало информации в СП 282.1325800.2023 «Поквартирные системы теплоснабжения на базе индивидуальных газовых теплогенераторов».

Первое на что мы ориентируемся - это требования, указанные в инструкции и паспорте на оборудование - у всех производителей они разные.

При этом из прочтения СП 282.1325800.2023 становится ясно, что есть требования к огнестойкости стены (поверхности) для установки уличных газовых котлов, их конструкция подразумевает предел огнестойкости не менее R 45.

Стена здания, на которой размещается ТГШн должна быть негорючей или иметь покрытие группы горючести НГ или Г1 размером, не менее чем на 0,5 м выступающим за габариты ТГШ по периметру. Стена также должна быть проверена на несущую способность от нагрузки ТГШн:

  • ТГШн должен быть подключен к контуру заземления и молниезащиты;
  • отвод продуктов сгорания должен производиться по отдельному дымоходу.

Если уличный газовый котел не шкафного типа, то его установка на стены запрещена: п. 5.30. СП 281.1325800.2016 указывает, что крепление оборудования интегрированных теплогенераторных непосредственно к несущим и ограждающим конструкциям основного здания не допускается. Для теплогенераторных наружного обслуживания следует принимать основание, выступающее за габариты теплогенераторной не менее чем на 1 м со сторон обслуживания теплогенераторногооборудования, и не менее чем на 0,5 м с остальных сторон, а для блочно-модульныхтеплогенераторных - не менее чем на 0,5 м с каждой из сторон.
Когда производитель указывет, что допускается устанавливать котел не шкафного исполнения на специальной площадке, закрепленной к несущей конструкции зданий и сооружений - то это лишь мнение производителя, ресурсоснабжающая организация и Ростехнадзор имеют полное право не принимать в пусконаладку такие уличные котлы.

Расстояние от здания до котла определяем по паспорту оборудования, там также будут дополнительные требования к основанию (фундаменту).

Требования к дымоходам уличного газового котла

Требования к дымоходам уличных газовых котлов с открытой камерой сгорания аналогичны требованиям, предъявляемым к котлам наружного размещения. Добавочно можно указать, что все элементы дымохода должны исключать возможность просачивания конденсата в них, или через них. Все стыки и соединения элементов дымохода и вводы дымоотвода должны быть устроены таким образом, чтобы конденсат свободно стекал вниз, не просачиваясь внутрь конструкции и не попадая в дымоотвод. В нижней части дымохода должна быть предусмотрена сборная камера высотой не менее 0,5 м для сбора мусора и других твердых частиц, прочистки дымохода, установки сифона и емкости для отвода конденсата, устройства регулируемого подсоса воздуха (ограничитель тяги) с глушителем и предохранительным клапаном. Камера должна иметь проем для осмотра, прочистки и устройства отвода и раскисления конденсата. Проем должен герметично закрываться металлической дверцей.

Минимальная высота дымохода от места присоединения дымоотвода последнего котла до оголовка на крыше должна составлять не менее 3 м.

В нижней и верхней частях дымохода должны быть предусмотрены отверстия с заглушками для измерения температуры дымовых газов и разрежения в дымоходе.

Расстояние от дымоотвода до стены или потолка из негорючих материалов следует принимать не менее 50 мм. При конструкциях наружного слоя стен или потолков из горючих материалов расстояние до них следует принимать не менее 250 мм. Дымоходы и дымоотводы должны иметь теплоизоляцию, обеспечивающую температуру на
наружной поверхности дымохода в местах, доступных человеку, не выше 45°С в соответствии с СП 61.13330.

Если же у котла коаксиальный дымоход и закрытая камера сгорания, то руководствуемся СП 280.1325800.2016 "Системы подачи воздуха на горение и удаления продуктов сгорания для теплогенераторов на газовом топливе".

Там даются следующие определения:

  • теплогенератор типа В: Теплогенератор с открытой камерой сгорания, подключаемый к индивидуальному дымоходу. Воздух для горения забирается непосредственно из помещения, в котором установлен теплогенератор.
  • теплогенератор типа С: Теплогенератор с закрытой камерой сгорания, в котором отвод продуктов сгорания и подача воздуха для горения могут осуществляться за счет встроенного дутьевого вентилятора или дымососа. Система сжигания газового топлива (подача воздуха для горения, камера сгорания, отвод продуктов горения) в этих теплогенераторах газоплотна по отношению к помещениям.

Длина коаксиальных дымоходов не должна превышать требований производителя. Монтаж коаксиальных дымоотводов необходимо осуществлять с уклоном не менее 0,03 в сторону оголовка.

Для обеспечения рассеивания вредных выбросов до нормируемых значений проектирование систем дымоудаления для систем теплоснабжения на базе индивидуальных
теплогенераторов следует осуществлять с учетом минимальных расстояний:

  • по горизонтали до открывающихся окон и дверей - 600 мм;
  • по вертикали до верха открывающихся окон и дверей - 270 мм;
  • по вертикали до низа открывающихся дверей - 600 мм;
  • по горизонтали до близлежащих строений и деревьев - 3000 мм.

Отверстия для прохода дымоходных систем допускается предусматривать на расстоянии 200-300 мм по горизонтали относительно друг друга.

При монтаже коаксиальных выходов под балконами (козырьками) следует также руководствоваться СП 402.1325800.2018 (приложение Г).

Отверстия коаксиальных дымоходов при отводе продуктов сгорания от отопительного газоиспользующего оборудования через наружную стену без устройства вертикального канала следует размещать в соответствии с инструкцией по монтажу газоиспользующего оборудования предприятия-изготовителя, но на расстоянии не менее:

  • 2,0 м от уровня земли;
  • 0,5 м по горизонтали до окон, дверей и открытых вентиляционных отверстий (решеток);
  • 0,5 м над верхней гранью окон, дверей и вентиляционных решеток;
  • 1,0 м по вертикали до окон при размещении отверстий под ними.

Указанные расстояния не распространяются на оконные проемы, заполненные стеклоблоками.

Не допускается размещение коаксиальных дымоходов на фасаде зданий под вентиляционной решеткой. Наименьшее расстояние между двумя отверстиями каналов на фасаде здания следует принимать не менее 1,0 м по горизонтали и 2,0 м по вертикали. При размещении дымового канала под навесом, балконами и карнизами кровли зданий канал должен выходить за окружность, описанную радиусом R на рисунке.

Длину горизонтального участка дымового канала от отопительного газоиспользующего оборудования с герметичной камерой сгорания следует принимать не более 3 м.

Монтаж дефлекторов на коаксиальном дымоходе запрещен.

Установка коаксиального дымохода уличного газового котла

Заземление уличного газового котла

Требования указаны в ПУЭ и паспорте производителя, и осуществляется к внешнему контуру (контуру заземления здания). Материал и сечение заземлителей и заземляющих проводников системы повторного заземления следует определять в соответствии с ПУЭ, издание 7, глава 1.7, табл. 1.7.4 и 1.7.5. Величина сопротивления контура повторного заземления – не более 10 Ом.

Звоните нам! Наши специалисты проведут бесплатную консультацию, уточнят исходные данные, помогут составить грамотное ТЗ и предложат оптимальное решение по составу и бюджету. Ждем Вашего звонка!

10.11.2025 Автор: Зверев Антон Олегович
Выберите ваш город
×
 Сергиев Посад
Продолжая использовать наш сайт, вы соглашаетесь с условиями обработки cookie-файлов и пользовательских данных с помощью Яндекс.Метрика, необходимых для аналитики и улучшения качества работы сайта и сервиса. Запретить эти действия можно в настройках браузера